Звуковое кино, производство и показ кинофильмов, изображение в которых, в отличие от «немых», сопровождается речью, музыкой, звуковыми эффектами (шумами).
Попытки соединить (синхронизировать) изображение со звуком делались ещё на ранней стадии существования кинематографа: использовался музыкальный аккомпанемент (пианино, оркестр и др.), привлекались актёры, которые синхронно с изображением воспроизводили речь, песни персонажей фильма. В конце 19 — начале 20 вв. предпринимались многочисленные попытки создать устройство для синхронного воспроизведения звука с показом фильма [кинетофон Т. Эдисона (США, 1899), хронефон Л. Гомона (Франция, 1901), использование специальных граммофонных пластинок и др.]. Только изобретение и совершенствование метода совмещения изображения и фотографической (позже магнитной) звукозаписи на общем носителе — киноплёнке — позволило достичь их синхронности при показе звукового фильма. Русские учёные А. Ф. Виксцемский в 1889 и И. Л. Поляков в 1900 впервые предложили схему воспроизведения фотографической записи звука посредством фотоэлемента и использования позитива фонограммы. Перспективным явилось также изобретение Ю. Лооста (США), разработавшего в 1906 систему фотографической записи звуковых колебаний на киноплёнку. Практические системы З. к. были созданы почти одновременно в СССР, США и Германии. Советские системы З. к. с фотографической записью звука начали разрабатываться в 1926 в Москве группой изобретателей под руководством П. Г. Тагера (система «Тагефон») и в 1927 в Ленинграде под руководством А. Ф. Шорина. В системе Шорина фонограмма имела переменную ширину дорожки записи, в системе «Тагефон» — переменную оптическую плотность. Первая кинопрограмма с записью звука по системе Шорина показана в 1929. Первый советский полнометражный художественный фильм с записью звука по системе «Тагефон» — «Путёвка в жизнь» (1931, режиссер Н. В. Экк).
Разработка и внедрение в 50-х гг. 20 в. магнитной записи и воспроизведения звука, а также создание и освоение новых видов кинематографа (широкоэкранного, широкоформатного, панорамного, стереоскопического, полиэкранного и др.) привели к значительному повышению качества показа фильмов. Широкие углы рассматривания цветных изображений создали т. н. эффект присутствия зрителя. Впечатление усиливалось стереофоническим воспроизведением звука, позволившим создавать «пространственную звуковую перспективу»: звук как бы «следует» за изображением его источника, вызывая иллюзию реальной действительности (см. Стереофоническая звукозапись).
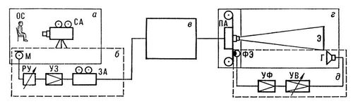
Техника съёмки и показа звуковых фильмов иллюстрируется структурной схемой (см. рис.). Объект съёмки фиксируется на киноплёнку съёмочным аппаратом. Звуковые колебания воспринимаются микрофоном и после предварительного усиления, регулировки уровня записи, последующего усиления поступают на аппарат записи, фиксирующий звук на отдельной магнитной ленте. Различные звучания (речь, музыка, шумы), записанные при производстве фильма, обычно располагаются на нескольких лентах (от 2 до 8 и более). После окончания монтажа кинофильма осуществляется перезапись звука: сигналы с речевых, музыкальных и шумовых фонограмм сводятся на одной фонограмме с необходимым соотношением уровней громкости. С негативов изображения и фонограммы, сдаваемых киностудиями на кинокопировальные фабрики, производится массовая печать (тиражирование) совмещенных позитивных копий фильма, поступающих затем в кинотеатры. В кинопроекционном аппарате совмещенная позитивная копия продвигается со скоростью, соответствующей в общем случае скорости съёмки, и изображение проецируется на экран; фотографическая фонограмма переменной ширины или переменной плотности (см. Звукозапись), полученная перезаписью с магнитной фонограммы, пересекает световой поток лампы просвечивания в месте равномерного движения киноленты (в звуковом блоке) и изменяет (модулирует) его в соответствии с записанными звуковыми колебаниями. Фотоэлемент превращает падающий на него переменный световой поток в электрические колебания, которые после усилителя фототоков и усилителя воспроизведения поступают на громкоговоритель, установленный у экрана в зрительном зале кинотеатра. В случае магнитной звуковой дорожки воспроизведение звука осуществляется магнитной головкой вместо фотоэлемента.
В З. к. применяются: синхронная запись — запись звука одновременно со съёмкой в павильоне и вне его (наиболее распространённый, сложный вид, требующий определённой акустики павильона, соблюдения режима тишины и пр.); предварительное и последующее озвучение с раздельной записью звука и изображения; дублирование звуковых фильмов — процесс изготовления новой фонограммы, обычно на др. языке; специальные виды звукозаписи, проводимые для получения особых эффектов (телефонный разговор, эхо, изменение высоты звука и пр.). Введение З. к. явилось революционным этапом в развитии кинематографа как искусства, значительно выросли его идейно-художественные возможности, обогатился арсенал выразительных средств.
Лит.: Шорин А. Ф., Как экран стал говорящим, М., 1949; Тагер П. Г., Из истории развития советского звукового кино, «Изв. АН СССР. Серия физическая», 1949, т. 13, №6; Высоцкий М. З., Магнитная звукозапись кинофильмов, М., 1960; Голдовский Е. М., Основы кинотехники, М., 1965; Коноплев Б. Н., Основы фильмопроизводства, М., 1969.
М. З. Высоцкий.

Структурная схема звукового кино: а — место съёмки (СА — съёмочный аппарат, ОС — объект съёмки); б — устройство записи звука (М — микрофон, РУ — регулятор уровня записи звука, УЗ — усилитель электрических колебаний звуковых частот, ЗА — звукозаписывающий аппарат); в — изготовление фильма (фотохимическая обработка, монтаж, перезапись, печать копии); г — кинотеатр (ПА — проекционный аппарат, Э — экран); д — устройство воспроизведения звука (ФЭ — фотоэлемент, УФ — усилитель фототоков, УВ — усилитель воспроизведения звука, Г — громкоговоритель).