Фильтр акустический, устройство для выделения определённой полосы частот из сложного звука; является акустическим аналогом электрического фильтра. Простейший Ф. а. – резонатор Гельмгольца (см. Резонатор акустический). Теория Ф. а. разработана методом электромеханических аналогий на основе теории электрических фильтров с использованием уже установленных для последних классификации и терминологии. Ф. а., пропускающие все частоты от нулевой до некоторой заданной, называются низкочастотными; высокочастотные Ф. а. пропускают все частоты выше заданной и не пропускают низких частот. Ф. а., пропускающие более или менее узкий диапазон частот между двумя заданными частотами, называются полосовыми.
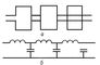
Низкочастотный Ф. а. (рис. 1, а) представляет собой совокупность одинаковых полостей, соединённых узкими трубками (электрический аналог, рис. 1, б). В первом приближении можно считать, что вся кинетическая энергия системы сосредоточена в воздухе, движущемся в трубках, а потенциальная – связана с упругой деформацией воздуха в полостях. Верхняя граница полосы пропускания этого Ф. а.:
, где S и l площадь поперечного сечения и длина трубки, V – объём полости, с – скорость звука в воздухе.
Высокочастотный Ф. а. (рис. 2, а) состоит из узкой трубы с просверленными в ней на одинаковом расстоянии отверстиями (электрический аналог, рис. 2, б). В этой системе кинетическая энергия сосредоточена в воздухе, движущемся вблизи отверстий, а потенциальная связана с воздухом в трубе. Под действием низкочастотных составляющих поля воздух в отверстиях интенсивно колеблется, поэтому для этих составляющих в системе происходит «короткое замыкание». На высоких частотах воздух в отверстиях не успевает колебаться, поэтому высокочастотные составляющие свободно проходят по трубе. Комбинацией низкочастотного и высокочастотного Ф. а. можно получить полосовой Ф, а., полоса пропускания которого определяется размерами отверстий и резонаторов.
Ф. а. широко применяется в технике для снижения шума, создаваемого потоком отработанных газов в реактивных двигателях и в двигателях внутреннего сгорания (автомобильный глушитель – пример Ф. а.). В архитектурной акустике они используются для уменьшения передачи шума по вентиляционным каналам и трубам. В этом случае Ф. а. часто применяется в сочетании с облицовкой воздушных каналов и труб звукопоглощающими материалами. Основным свойством Ф. а. – способностью выделять полосу частот из сложного звука – обладают плоскопараллельные пластинки; они называются интерференционными Ф. а. и применяются для выделения звуковых волн, распространяющихся по определённому направлению. Например, пластинка, толщина которой равна целому числу полуволн на заданной частоте, выделит составляющую звукового поля этой частоты, распространяющуюся в нормальном к ней направлении.
Лит.: Ржевкин С. Н., Курс лекций по теории звука, М., 1960; Тартаковский Б. Д., Ультразвуковые интерференционные фильтры с изменяемыми частотами пропускания, «Акустический журнал», 1957, т. 3, № 2, с. 183–91.

Рис. 2. Схемы высокочастотного акустического фильтра а и его электрического аналога б.

Рис. 1. Схема низкочастотного акустического фильтра а и его электрического аналога б.