Безокислительного нагрева печь, пламенная газовая печь для высокотемпературного нагрева металла под ковку, штамповку, прокатку или термообработку в атмосфере продуктов неполного сгорания газа. В камере нагрева газ с высокой теплотой сгорания сжигают с коэффициентом избытка воздуха a = 0,5, получая при этом газ с соотношением CO/CO2 = 2,5—3,2 и H2/H2O = 1,2—1,3, предохраняющий металл от окисления. Необходимая температура в рабочем пространстве достигается путём подогрева воздуха до 800—1000°С за счёт тепла, получаемого от дожигания продуктов неполного сгорания газа или использования кислорода.
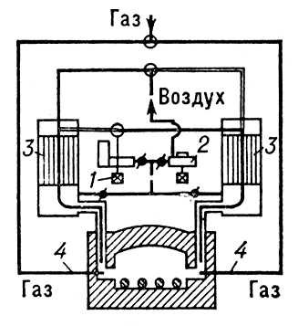
Б. н. п. бывают периодического действия (камерные) и непрерывно действующие (методические, карусельные). Камерные Б. н. п. периодического действия подразделяются на рекуперативные (рис. 1), в которых сжигание газа в камере нагрева осуществляется воздухом, подогретым до 600—800°С, не обогащенным или обогащенным кислородом; рекуперативные с передачей тепла через промежуточный свод и регенеративные (рис. 2). К непрерывно действующим печам относится методическая печь для безокислительного нагрева металла.
Лит.: Кривандин В. А., Молчанов Н. Г., Соломенцев С. Л., Металлургические печи, М., 1962; Эфрос М. М., Нагревательные и термические печи на газовом топливе, М., 1965.
И. А. Прибытков.

Рис. 2. Регенеративная камерная печь для безокислительного нагрева металла: 1 — эксгаустер; 2 — вентилятор; 3 — регенератор металлический; 4 — горелки.

Рис. 1. Рекуперативная камерная печь для безокислительного нагрева металла: 1 — горелки; 2 — подвод газа; 3 — подвод подогретой кислородно-воздушной смеси; 4 — подвод холодного воздуха; 5 — рекуператор; 6 — отвод продуктов горения; 7 — подвод холодной кислородно-воздушной смеси; 8 — подвод подогретого вторичного воздуха; 9 — рабочая камера.