Усилитель электрических колебаний, устройство, предназначенное для усиления электрических (электромагнитных) колебаний в системах многоканальной связи, радиоприёмной, радиопередающей, измерительной и др. аппаратуре. Такое усиление представляет собой процесс управления источником энергии (источником питания У. э. к.) в результате воздействия на него усиливаемых колебаний через усилительный элемент – чаще всего транзистор, электронную лампу, туннельный диод, параметрический диод, вариконд или индуктивности катушку с сердечником из ферромагнитного материала и др. При этом существенно, что управляемая мощность P0 (источника питания) заметно превышает управляющую P1 (источника усиливаемых колебаний), называется входной мощностью (рис. 1). Часть P0, отдаваемая во внешнюю цепь (в нагрузку), именуется выходной мощностью P2 В отличие от пассивной цепи, т. е. цепи, не содержащей источника энергии, например трансформатора электрического, коэффициент усиления мощности (коэффициент передачи) У. э. к. Kp = P2/ P1>1. Наряду с усилением мощности У. э. к. способен усиливать напряжение и ток источника колебаний, что оценивается коэффициентом усиления напряжения Ku = U2/U1 и коэффициентом усиления тока Ki = I2/I1 (U1, I1 и U2, I2 – напряжение и ток соответственно на входе и выходе У. э. к.).
В одних приборах (например, лабораторных генераторах электрических колебаний) У. э. к. используется для усиления гармонических колебаний, в других (например, радиоприёмниках) – для усиления сигнала сложной формы, представляющего собой сумму множества гармонических колебаний с разными частотами и амплитудами. В оощем случае У. э. к. служит для повышения уровня сигналов различного вида, которое оценивается прежде всего величиной Kp. Простейший У. э. к. выполняют на 1 усилительном элементе. При необходимости получения Kp, большего, чем такой У. э. к. может обеспечить, применяют более сложный У. э. к., содержащий несколько каскадов усиления.
Классификация У. э. к. В зависимости от вида применяемых усилительных элементов различают транзисторные и ламповые У. э. к., диодные регенеративные усилители, параметрические усилители, диэлектрические усилители, магнитные усилители, усилители на клистронах и лампах бегущей волны, квантовые усилители (см. также Мазер).
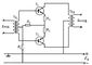
В транзисторных У. э. к., собранных на биполярных транзисторах или полевых транзисторах, в зависимости от того, какой из выводов усилительного элемента является общим для входа и выхода усилительного каскада, различают каскады с общим эмиттером или истоком (рис. 2, а и б), с общей базой или затвором (рис. 2, б и г) и с общим коллектором или стоком. В У. э. к. на биполярных транзисторах из-за наличия входного тока на управление транзистором приходится затрачивать определённую мощность. Этот недостаток в меньшей мере присущ каскадам с общим эмиттером (обладающим сравнительно большим входным сопротивлением – до нескольких ком), в большей – каскадам с общей базой (десятки ом). Кроме того, первые обеспечивают Kp, на порядок больший, чем вторые (несколько тыс.), что является их основным преимуществом. Каскады с общей базой, однако, более устойчивы в работе, менее критичны к изменениям температуры или смене транзистора, вносят весьма небольшие нелинейные искажения; они используются преимущественно в оконечных ступенях мощных У. э. к. Полевой транзистор по своим основным параметрам (крутизне характеристик, входному сопротивлению, напряжению отсечки и др.) – весьма близкий аналог электронной лампы, используемой в ламповых У э. к. (по способу использования электродов ей аналогичны как полевой, так и биполярный транзисторы: катоду соответствуют исток и эмиттер, сетке – затвор и база, аноду – сток и коллектор). Это позволяет применять результаты исследований ламповых каскадов с общим катодом, сеткой или анодом к соответствующим каскадам на полевых транзисторах.
Всякий У. э. к. характеризуется полосой пропускания частот. Если нижняя граничная частота полосы сколь угодно близка к нулю, имеем постоянного тока усилитель, если же она отделена от нуля конечным интервалом, – усилитель переменного тока (таков, например, видеоусилитель). Различают селективные (избирательные) и апериодические (неизбирательные) У. э. к. К селективным относятся усилители колебаний принимаемой (высокой) и промежуточной частот радиоприёмника; первые обычно содержат каскады с колебательными контурами (или резонаторами), настроенными на одну и ту же частоту, вторые – полосовые электрические фильтры, позволяющие приблизить форму амплитудно-частотной характеристики У. э. к. к идеальной (прямоугольной). В группу апериодических У. э. к. входят усилители звуковой частоты, видеоусилители, усилители импульсных сигналов и др.
Примеры практического использования У. э. к. Усилитель промежуточной частоты радиоприёмного устройства в одних вариантах содержит несколько каскадов с двухконтурными (рис. 3) или более сложными электрическими фильтрами, в других он может представлять собой апериодический усилитель с высокоселективными системами во входной и выходной цепях.
В мощных радиопередающих устройствах находит применение ламповый усилитель ВЧ. В оконечном каскаде такого У. э. к. (рис. 4) нагрузкой служит передающая антенна, обычно связанная с усилителем посредством фидера.
В транзисторных усилителях систем многоканальной связи ширина полосы зависит от числа телефонных каналов: при 300 каналах она лежит в пределах 60–1300 кгц, при 1920 – верхняя граница приближается к 9 Мгц, при 10800 – к 60 Мгц. Например, усилитель на 300 каналов (рис. 5) обычно содержит 3 каскада с общим эмиттером, охваченных глубокой смешанной обратной связью (последовательно-параллельной по входу и выходу), позволяющей получить достаточно высокую выходную мощность и удовлетворить весьма жёстким требованиям, предъявляемым к допустимому уровню нелинейных искажений в системах дальней телефонной связи. При помощи такой обратной связи удаётся также реализовать не зависящие от усилительных свойств каскадов входное и выходное сопротивления и притом таких значений, которые обеспечивают согласование с подключенными к У. э. к. линиями, например коаксиальными кабелями.
Транзистор T4, включенный по схеме с общей базой, соединён последовательно с транзистором T3, образуя с ним т. н. каскодный усилит. каскад (с широкой полосой пропускания и повышенной линейностью).
Операционный усилитель, применяемый для выполнения определённых математических операций – суммирования, дифференцирования, интегрирования и т.д., – представляет сооой усилитель постоянного тока с большим коэффициентом усиления KU (достигающим 105), обычно в интегральном исполнении (см. Микроэлектроника). В комплексе с внешними элементами, образующими цепь обратной связи, операционный усилитель получил название решающего усилителя, он используется в вычислительной технике. В операционном усилителе (рис. 6) имеются неинвертирующий вход (обеспечивающий в процессе усиления совпадение полярностей поданного на него сигнала и сигнала на выходе) и инвертирующий (полярность изменяется на противоположную). Это свойство придаёт усилителю его первый каскад, выполненный по т. н. дифференциальной схеме, реагирующей на разность входных напряжений (в результате сигналы с разной полярностью складываются, а с одинаковой – вычитаются и при столь большом KU практически не влияют на выходной сигнал). Инвертирующий вход обычно используется и для создания отрицательной или частотно-зависимой обратной связи.
Усилитель звуковой частоты, используемый, например, при звукоусилении, обычно заканчивается двухтактным каскадом усиления.
Такой каскад содержит 2 усилительных элемента, работающих со сдвигом фаз усиливаемых колебаний на 180°. Для возбуждения двухтактного каскада, состоящего из однотипных усилительных элементов (например, транзисторов р – п – р -типа), используют фазоинверсный предоконечный каскад (фазоинвертор) или трансформатор, вторичная обмотка которого имеет вывод от средней точки (рис. 7); каскад, содержащий разнотипные элементы (т. н. комплементарные структуры, например транзисторы р – n – р- и n – р – n -типов), возбуждается от источника однофазного напряжения, т. е. от обычного однотактного каскада, и в этом случае отпадает необходимость применения трансформатора. По сравнению с однотактным каскадом двухтактный позволяет получать гораздо большую выходную мощность с меньшими нелинейными искажениями. Распространены бестрансформаторные У. э. к. звуковой частоты на транзисторах: одиночных комплементарных (с выходной мощностью до 1 вт) и т. н. составных (с выходной мощностью несколько десятков вт и более). Отсутствие трансформаторов допускает изготовление У. э. к. в виде полупроводниковых и гибридных интегральных микросхем.
Ламповый усилитель большой мощности используется на узлах проводного вещания и в радиопередатчиках (в качестве модуляционного устройства). Он обычно содержит 4 двухтактных каскада, охваченных сравнительно глубокой отрицательной обратной связью с целью уменьшения нелинейных искажений, снижения фона на выходе и получения небольшого выходного сопротивления.
Лит.: Лурье Б. Я., Проектирование транзисторных усилителей с глубокой обратной связью, М., 1965; Калихман С. Г., Левин Я. М., Основы теории расчёта радиовещательных приёмников на полупроводниковых приборах, М., 1969: Радиопередающие устройства, М., 1969; Цыкин Г. С., Усилительные устройства, М., 1971; Войшвилло Г. В., Усилительные устройства, М., 1975.
Г. В. Войшвилло.

Рис. 3. Схема каскада усилителя электрических колебаний промежуточной частоты с двухконтурной колебательной системой: T1, Т2 — транзисторы; R1—R6 — резисторы; Сб — блокировочный конденсатор; C1, C2, L1, L2 — конденсаторы и катушки индуктивности колебательных контуров; C3 — развязывающий конденсатор; Е — источник постоянного тока в цепи питания транзисторов.

Рис. 5. Упрощённая схема линейного усилителя связи на 300 каналов: Tp1, Tp2 — входной и выходной трансформаторы с сердечниками из магнитодиэлектрика; T1—T4 — транзисторы; R1—R9 — резисторы; C1, C2 — конденсаторы; LCR — корректирующая цепь, служащая для обеспечения устойчивости усилителя; Eк — источник постоянного электрического тока.

Рис. 2. Принципиальные схемы усилителей на биполярных и полевых транзисторах: с общим эмиттером (а), общим истоком (б), общей базой (в) и общим затвором (г); Э, К, Б — эмиттер, коллектор и база биполярного транзистора; И, З, С — исток, затвор и сток полевого транзистора; еr — источник усиливаемых колебаний; Rг, Rн — эквивалентные сопротивления входной цепи и нагрузки; Ебэ, Екэ, Ези, Еси — источники постоянного тока соответственно в цепях база — эмиттер, коллектор — эмиттер, затвор — исток, сток — исток. Название типа усилителя определяется тем, какая область (электрод) транзистора является общей для цепи источника усиливаемого сигнала и цепи нагрузки.

Рис. 4. Схема оконечного усилительного каскада радиопередающего устройства с фильтром нижних частот: Л — электронная лампа (тетрод); А — антенна; L1, L2 и C1—C3 — катушки индуктивности и конденсаторы, образующие фильтр нижних частот; L3 — дроссель в цепи питания лампы; C4 — разделительный конденсатор; Ea и Еэ — источники постоянного тока в анодной цепи и цепи экранирующей сетки.

Рис. 1. Структурная схема усилителя электрических колебаний: 1 — источник сигнала; 2 — усилитель; 3 — нагрузка; 4 — источник питания; е1 — источник усиливаемых колебаний; R1, R2 — эквивалентные сопротивления источника усиливаемых колебаний и нагрузки; I1, P1, U1 — соответственно ток, мощность и напряжение на входе усилителя; I2, P2, U2 — ток, мощность и напряжение на выходе усилителя; P0 — мощность источника питания.

Рис. 7. Принципиальная схема транзисторного двухтактного каскада: Tp1, Tp2 — входной и выходной трансформаторы; T1, T2 — транзисторы; R1, R2 — резисторы делителя напряжения, необходимые для получения требуемого напряжения смещения на базах; Рэ — резисторы в цепи эмиттеров, предназначенные для симметрирования плеч каскада и дополнительной стабилизации режима работы каскада: Eк — источник постоянного тока.

Рис. 6. Структурная схема операционного усилителя: 1 — неинвертирующий вход; 2 — инвертирующий вход; 3 — общий провод; 4 — выход.