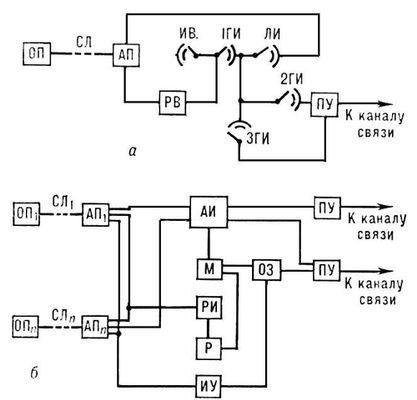
Упрощённые структурные схемы телеграфных станций абонентского телеграфирования — безрегистровой (а) и регистровой (б): ОП — оконечный пункт; АП — абонентская панель; ИВ — искатель вызовов; 1ГИ, 2ГИ, 3ГИ — ступени группового искания; ЛИ — ступень линейного искания; РВ — распределитель вызовов, управляющий работой ИВ; ОЗ — определитель тарифной зоны; ПУ — переходное устройство; АИ — ступень абонентского искания; РИ — ступень регистрового искания; Р — регистр; М — маркер; ИУ — импульсное устройство, посылающее в счётное устройство АП импульсы с частотой, определяемой номером тарифной зоны; СЛ — соединительная линия.


 

Оглавление