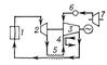
Рис. 4. Схема газотурбинного двигателя, работающего по замкнутому циклу: 1 — поверхностный нагреватель; 2 — турбина; 3 — компрессор; 4 — охладитель; 5 — регенератор; 6 — аккумулятор воздуха; 7 — вспомогательный компрессор.


 

Оглавление